г. Москва, Шереметьевская ул. д. 85 стр. 2
Режим работы: Пн-Пт с 9:00 до 18:00
Каталог оборудования
182700
Болид

Болид РИП-12 исп. 15 (РИП-12-3/17М1-Р)

Цена
7 743.00 ₽
Артикул
182700
Выходной ток
3
Степень защиты
IP30
Защита от разряда
Да
Под аккумулятор
17Ач
Производитель
Болид
Корпус
Металл

Описание

Резервированный источник питания Болид РИП-12 исп. 15 (РИП-12-3/17М1-Р) предназначен для питания технических средств пожарной автоматики и других слаботочных систем.

Резервированный источник питания РИП-12 исп.15 (РИП-12-3/17М1-Р) предназначен для группового питания средств пожарной автоматики, извещателей и приёмно-контрольных приборов охранно-пожарной сигнализации и других устройств напряжением 12 В постоянного тока.

РИП рассчитан на непрерывный круглосуточный режим работы с заданными выходными параметрами, с автоматическим контролем и зарядом герметичной аккумуляторной батареи (далее – батарея, АБ). РИП обеспечивает отключение АБ от нагрузки во избежание её недопустимого разряда.

РИП обеспечивает визуальную индикацию и звуковую сигнализацию текущего состояния: наличие или отсутствие напряжения в сети, заряд АБ, отсутствие АБ, отключение АБ при её разряде, короткое замыкание или перегрузка на выходе.

РИП обеспечивает защиту от коротких замыканий на выходе с автоматическим восстановлением выходного напряжения после снятия короткого замыкания при питании от сети и от АБ, а также защиту от превышения выходного напряжения.

РИП должен эксплуатироваться в местах, где он защищён от воздействия атмосферных осадков и механических повреждений. Конструкция РИП не предусматривает его использование во взрывопожароопасных помещениях.

По устойчивости к климатическим воздействиям РИП соответствует исполнению УХЛ, категории размещения 3 по ГОСТ 15150-69, но для работы в диапазоне температур от 263 К до 313 К (от минус 10 до +40 °С) и относительной влажности до 90 % при температуре 298 К (+25 °С).

По устойчивости к механическим воздействиям РИП соответствует группе исполнения LX по ГОСТ 12997-84 – вибрация в диапазоне частот от 1 до 35 Гц при ускорении до 4,9 м/с2 (0,5 g).

Особенности:
  • Передача команд по интерфейсу на тестирование аккумуляторных батарей (АБ), установленных в «Бокс», и прием сообщений об их наличии и индивидуальном состоянии
  • Защита с автоматическим восстановлением работоспособности:
        от превышения выходного напряжения
        от перегрузок по выходу
        от «переполюсовки» АБ
        от замыкания клемм подключения АБ
  • Контроль:
        сетевого напряжения
        величины выходного напряжения
        величины напряжения АБ и их состояния
        связи с Боксом по интерфейсу
  • Передача информации о неисправности или отклонении напряжений от нормы с помощью реле
  • Световая индикация и звуковая сигнализация:
  • наличие сетевого напряжения в сети
        короткое замыкание или перегрузка по выходу
        заряд АБ
        отключение АБ при ее разряде
        отключение выхода РИП
        потери связи с Боксом
  • Возможность конфигурирования работы Бокса и отключения звука с помощью кнопки на плате
  • Возможность контроля вскрытия корпуса
Схема подключения:


Комплект поставки
  1. Резервированный источник питания – 1 шт.
  2. Этикетка АЦДР.436534.001-15 ЭТ – 1 экз.
  3. Вставка плавкая ВПТ6-10 (2 А) – 1 шт.
  4. Шуруп 1-4х40.019 ГОСТ 1144-80 – 3 шт.
  5. Дюбель 8х40 S – 3 шт.
  6. Втулка ШЛИГ.711143.001 – 2 шт.
  7. Ключ – 2 шт.
  8. Упаковочная тара – 1 шт.
Пример расшифровки названия РИП


  • Единица измерения: 1 шт
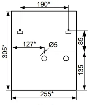
  • Габариты (мм): 255x310x95
  • Масса (кг): 2.50


  • Напряжение в сети, В: 150 - 250
  • Выходное напряжение, В:
        при питании от сети: 13,6±0,6
        при питании от АБ: 10...13,6
  • Номинальный выходной ток, А: 3
  • Максимальный выходной ток, А (2 мин): 4
  • Максимальная мощность потребляемая от сети, В•А: 100
  • Собственный ток потребляемый от АБ, мА, не более: 40
  • Защита от превышения выходного напряжения: +
  • Емкость АБ, А·ч: 17
  • Емкость дополнительных АБ, А*ч: 34 (12В, 17Ач – 2шт.) устанавливаются в Бокс-12/34М4-Р (Бокс-12 исп.01)
  • Звуковой сигнализатор: +
  • Возможность отключения звука: +
  • Количество индикаторов: 4 «СЕТЬ», «ЗАРЯД», «12В», «БОКС»
  • Датчик вскрытия корпуса: +
  • Количество релейных выходов: 3 (оптореле)
  • Максимальное напряжение и ток коммутации: 80 В, 50 мА
  • Время технической готовности: Не более 6 с, при совместной работе с Боксом не более 3 мин.
  • Диапазон рабочих температур: от минус 10 до + 40°C
  • Относительная влажность: до 90% при +25°C
  • Средний срок службы: 10 лет
  • Корпус: Металл IP30
  • Габариты, мм: 255х310х95
  • Масса без АБ, кг, не более: 2,5
  • Подключение РИП (сечение проводов кв.мм):
        к сети: 0,75…2,5
        к нагрузке: 0,5…2,5
        к реле: 0,14…1
        к датчику вскрытия: 0,5…2,5

    Габаритно-установочные размеры


* ООО ИННОПРОМ (ИНН 5040171717) уведомляет, что производитель товара оставляет за собой право изменять характеристики товара, его внешний вид и комплектность без предварительного уведомления продавца. Не является публичной офертой согласно Статьи 437 п.2 ГК РФ.