г. Москва, Шереметьевская ул. д. 85 стр. 2
Режим работы: Пн-Пт с 9:00 до 18:00
Каталог оборудования
162256
Рубеж

Рубеж ИПР 513-10 исп.1

Цена
690.00 ₽
Артикул
162256
Тип
пожарный извещатель
Тип оборудования
Извещатель пожарный
Комплектация
пожарный извещать
Степень защиты (IP)
IP41
Тип пожарного извещателя
ручной
Тип соединения устройств
проводное
Производитель
Рубеж
Подробнее

Описание

Извещатель пожарный ручной электроконтактный ИПР 513-10 предназначен для ручной подачи сигнала «Пожар» в системах пожарной и охранно-пожарной сигнализации.

Исполнение: ИПР 513-10 исп.1 - питание осуществляется от приемно-контрольного прибора или источника питания через Rогр, при включении по четырехпроводной схеме. ИПР 513-10 исп.1 предназначен для работы с любыми ППКПУ, воспринимающими сигнал сработки ИПР в виде включения (или выключения) в шлейф сигнализации дополнительного резистора по средствам встроенного реле «Сухой контакт». Допустимый ток, коммутируемый «сухими контактами» ИПР 513-10 исп.1 при напряжении до 30 В постоянного тока и до 125 В переменного тока, не более 1 А.

Извещатель пожарный ручной осуществляет формирование сигнала на включение различных инженерных систем при нажатии на кнопку. Снятие сигнала осуществляется возвратом кнопки в исходное положение с использованием штыря диаметром не более 3 мм. Устройство дистанционного пуска состоит из основания и корпуса. На основании установлена плата с радиоэлементами и клеммником для подключения проводов ШС.

ИПР обладает следующими потребительскими свойствами:

  • питание извещателя и передача сигнала сработки осуществляются по двухпроводному шлейфу сигнализации (ШС) (в зависимости от исполнения ИПР),
  • широкий диапазон напряжений питания 9-30 В (в зависимости от исполнения ИПР),
  • ИПР срабатывает при нажатии на кнопку с усилием не менее 1,5 кг. После снятия усилия ИПР остается во включенном состоянии. Для возврата кнопки в исходное положение необходимо нажать на замок (через отверстие в центре кнопки) любым штырем диаметром не более 3 мм, например, отверткой,
  • для информации о режимах работы ИПР и состоянии ШС предусмотрен оптический индикатор красного цвета,
  • модифицированный механизм срабатывания,
  • корпус ИПР изготовлен из ударопрочного и износостойкого материала АБС,
  • малые габаритные размеры и современный дизайн корпуса.

    Схема подключения двухпроводная ИПР 513-10 и ИПР 513-10 исп.01:


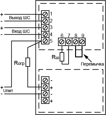
    Четырехпроводная схема подключения ИПР 513-10 исп.1 с НЗ-контактами и индикацией (номинал Rш устанавливается по паспорту ПКП):


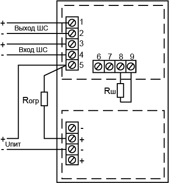
    Схема подключения ИПР 513-10 исп.1 с использованием НР-контактов и индикацией:


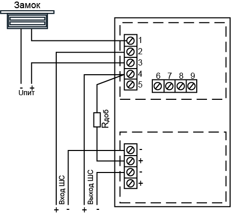
    Схема подключения ИПР 513-10 исп.1 в питающем ШС (подключение по двухпроводной схеме) и разблокировка при пожаре электромагнитного замка двери:


    • Единица измерения: 1 шт
    • Габариты (мм): 88x85x43
    • Масса (кг): 0.15


    • Напряжение питания: 9-30 В
    • Ток потребления в дежурном режиме: не более 50 мкА
    • Сопротивление извещателя в режиме пожар: 500 Ом
    • Допустимый ток, коммутируемый «сухими контактами» при напряжении до 30 В постоянного тока и до 125 В переменного тока, не более: 1А
    • Помехоустойчивость (по ГОСТ Р 53325): 3 степень
    • Габаритные размеры извещателя: 88х85х43 мм
    • Масса извещателя: не более 150 г
    • Степень защиты оболочки извещателя: IP 41
    • Диапазон рабочих температур: -40 - +60 °С
    • Средний срок службы: не менее 10 лет


    * ООО ИННОПРОМ (ИНН 5040171717) уведомляет, что производитель товара оставляет за собой право изменять характеристики товара, его внешний вид и комплектность без предварительного уведомления продавца. Не является публичной офертой согласно Статьи 437 п.2 ГК РФ.