г. Москва, Шереметьевская ул. д. 85 стр. 2
Режим работы: Пн-Пт с 9:00 до 18:00
Каталог оборудования
250302
RusGuard

RusGuard ACS-105-CE-S

Цена
26 900.00 ₽
Артикул
250302
Производитель
RusGuard

Описание

RusGuard ACS-105-CE-S - контроллер СКУД в пластиковом корпусе без блока питания. Программное обеспечение БЕСПЛАТНОЕ!

Схемы подключения

Общая схема подключения контроллера в режиме Дверь


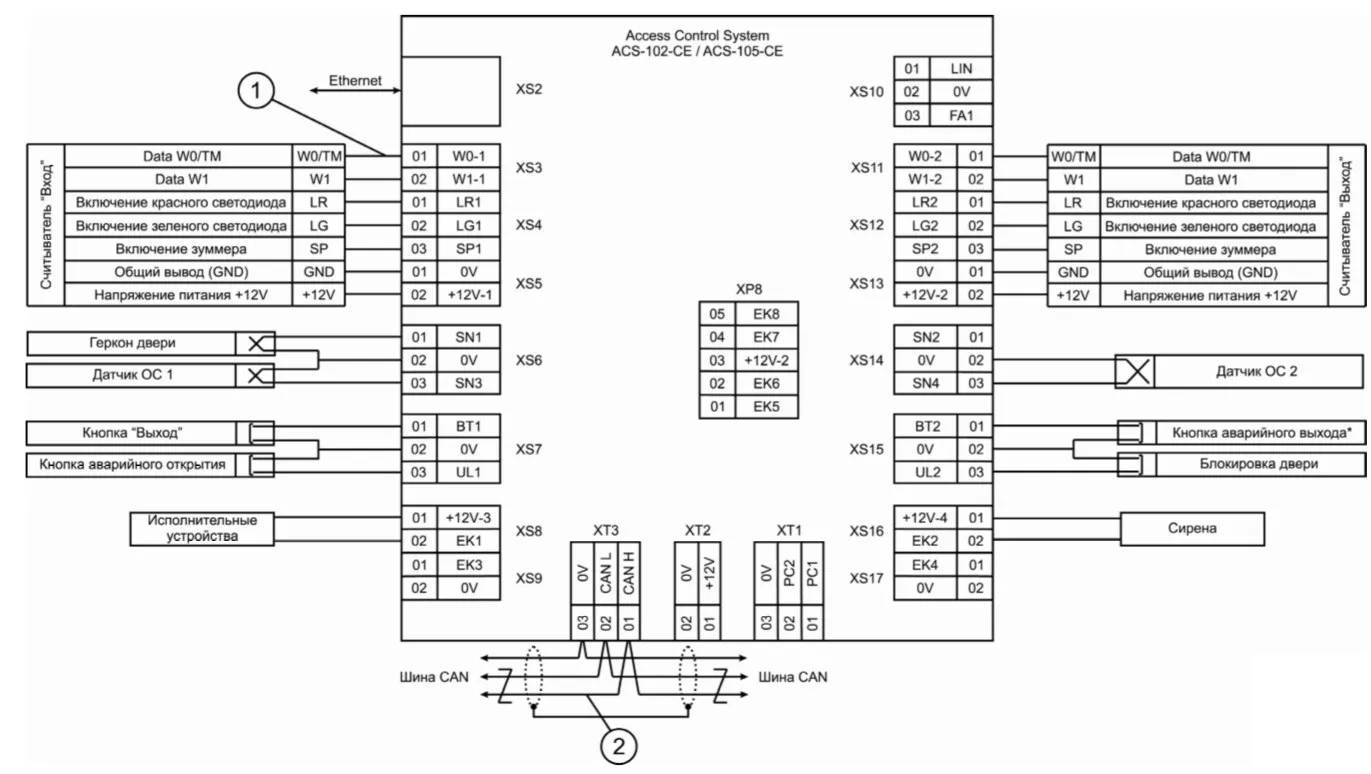
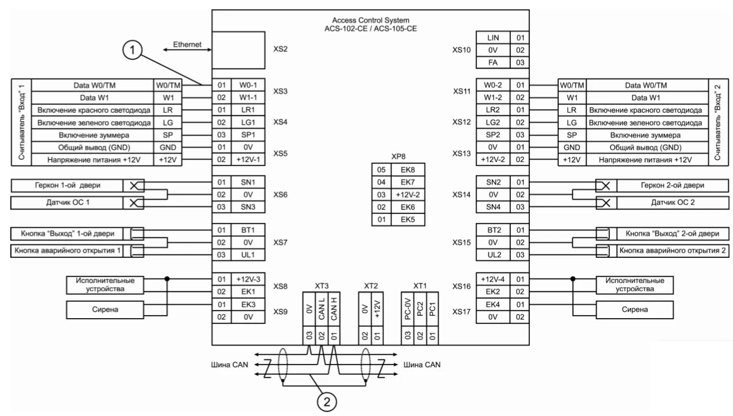
Общая схема подключения контроллера в режиме Две двери


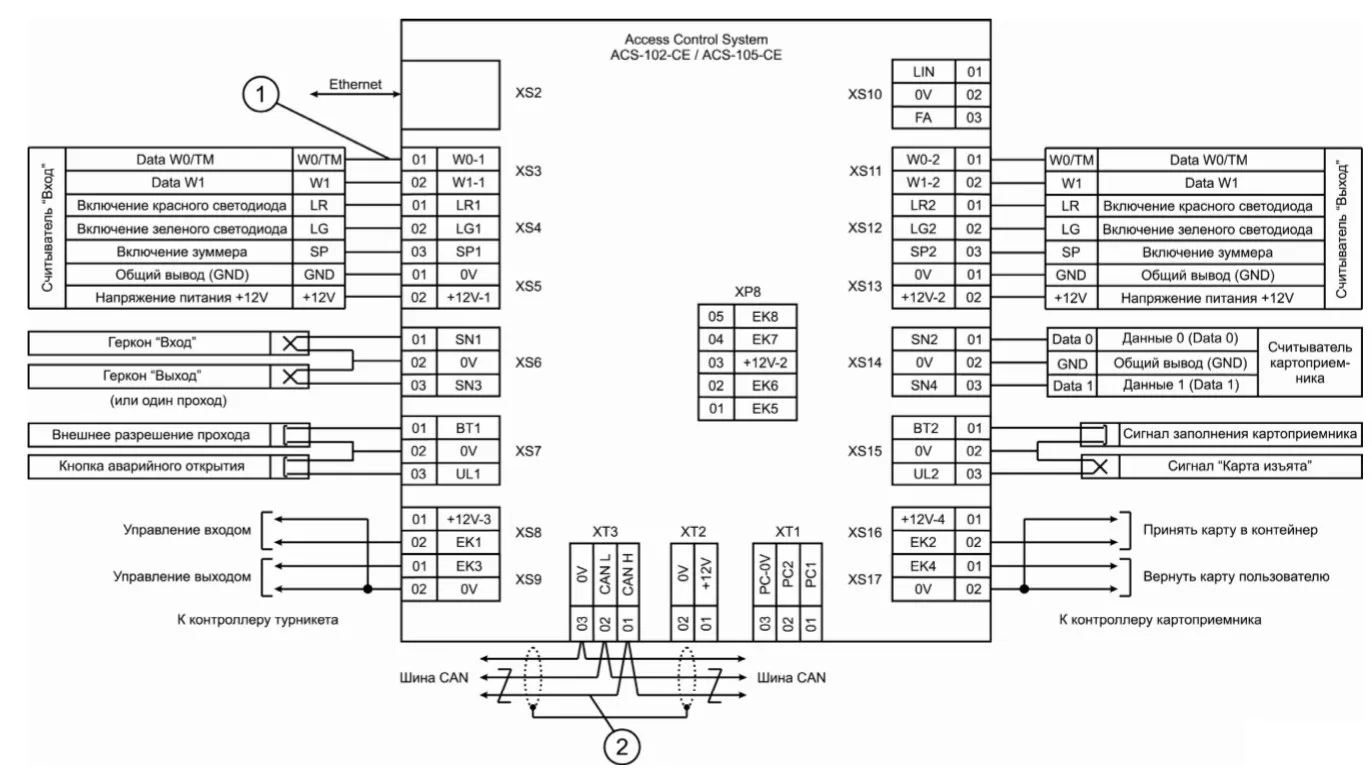
Общая схема подключения контроллера в режиме Турникет с картоприемником


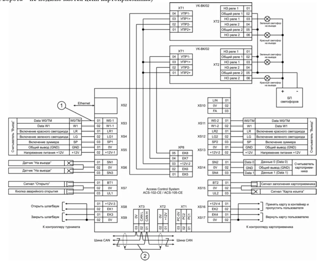
Общая схема подключения контроллера в режиме Шлагбаум/ворота с картоприёмником


Схема подключения Турникета PERCo - ТВС – 01


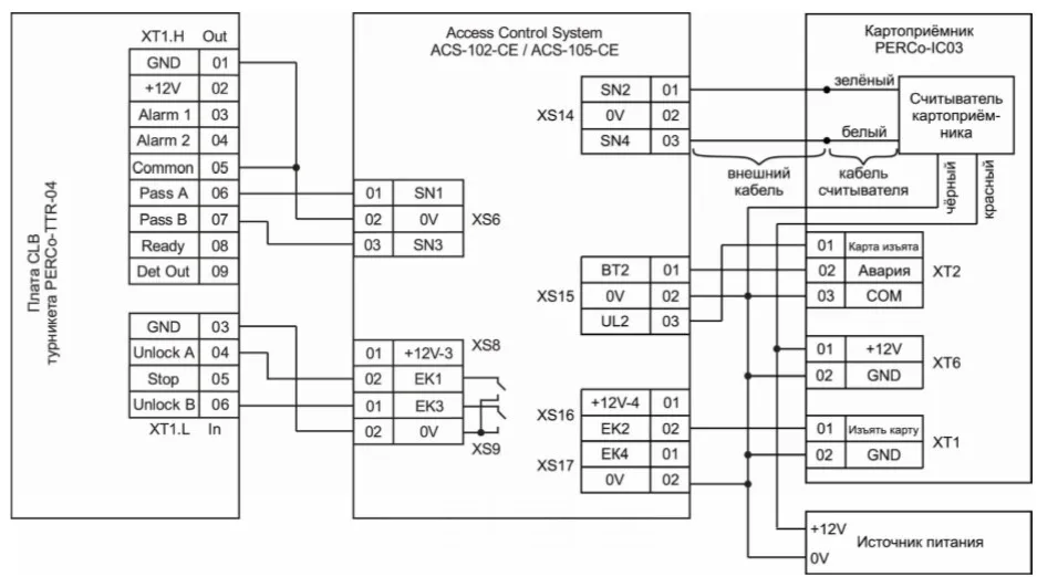
Схема подключения Турникета PERCo-TTR-04 и устройства сбора Proximity карт PERCo-IC03


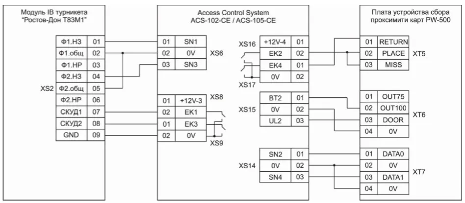
Схема подключения Турникета “Ростов-Дон Т83М1” и устройства сбора Proximity карт PW-500


Схемы подключения исполнительного устройства с питанием:


Схема подключения Замка AL-xxx-12 к контроллеру


Схема подключения Замка Tantos TRD-1086S


Общая схема подключения Считывателя с форматом Touch Memory


Общая схема подключения Считывателя с форматом Wiegand


Схема подключения Считывателя RDR-102 RusGuard с форматом Wiegand


Схема подключения Считывателя RDR-202-Multi RusGuard с форматом Wiegand
  • Единица измерения: 1 шт
  • Габариты (мм): xx
  • Масса (кг): 0.00


    Интерфейс
  • CAN-HS - High Speed Control Area Network, до 110 контроллеров на линии максимальной протяженностью 1 км., подключение к серверу через Ethernet порт любого контроллера в сети
  • Ethernet 10/100 BASE-T. Подключение каждого контроллера непосредственно к сети Ethernet

    Точки доступа
  • Дверь
  • Две двери (считыватель на вход, кнопка на выход)
  • Турникет с картоприемником
  • Ворота \ шлагбаум с картоприемником + управление светофорами.

    Считыватели
  • Wiegand-26/37/44/52/58
  • TouchMemory
  • Интерфейс клавиатуры (PS\2, KBW)
  • Настраиваемая полярность управления индикацией
  • Настраиваемая длина считываемого кода ключа

    Энергонезависимая память контроллера
  • Количество ключей - до 64 000
  • Количество событий - до 60 000

    Защита
  • 4 независимых канала питания нагрузок с индивидуальной защитой от короткого замыкания и перегрузки по току
  • супрессорная защита всех сигнальных цепей от электростатических разрядов

    Расписания
  • 127 суточных расписаний, 255 дневных, 255 недельных расписаний
  • До 4 временных интервалов в сутки
  • Автономный учет праздников и переносов

    AntipassBack
  • Локальный
  • Глобальный (в сети из нескольких контроллеров работает без участия сервера)
  • Возможность построения вложенных зон AntiPassBack

    Входы, выходы
  • 8 исполнительных электронных реле с индивидуальными настройками и защитой (4 силовых + 4 слаботочных)
  • 12 дополнительных входов (кнопки, датчики и т.д.)
  • 2 входа “сухой контакт”. Контроль сети и разряда АКБ


* ООО ИННОПРОМ (ИНН 5040171717) уведомляет, что производитель товара оставляет за собой право изменять характеристики товара, его внешний вид и комплектность без предварительного уведомления продавца. Не является публичной офертой согласно Статьи 437 п.2 ГК РФ.

Вы недавно просматривали

В наличии

RusGuard ACS-102-CE-BM

Артикул: 13671

Производитель: RusGuard

Розничная цена: 26 900.00 ₽

Ваша цена
27 900.00 ₽
В корзину