г. Москва, Шереметьевская ул. д. 85 стр. 2
Режим работы: Пн-Пт с 9:00 до 18:00
Каталог оборудования
257103
RusGuard

RusGuard R10-MF (QR)

Артикул
257103
Производитель
RusGuard

Описание

RusGuard R10-MF (QR) - автономный контроллер, совмещенный со считывателем Mifare

Считыватель «R-10 MF(QR)» – это доступное устройство для контроля доступа c пятью режимами работы. Может функционировать как считыватель ID, считыватель защищённый, считыватель NFC, считыватель QR для подключения к внешнему контроллеру доступа, так и как самостоятельный автономный контроллер управления электронным замком. Считыватель работает с бесконтактными смарт-картами Mifare, в том числе и в защищенных от копирования карт режимах SL1 или SL3. Также в качестве пропуска можно использовать любое мобильное устройство с NFC под управлением iOS и Android (бесплатное приложение RusGuard Key). Помимо карт (Mifare) и смартфонов (NFC) можно использовать для доступа QR/штрих-коды. Устройство считывает QR/штрих коды, как с листа бумаги, так и с экрана электронного устройства. Встроенная авто-подсветка позволяет считывать QR/штрих-код в помещении с любой степенью освещенности. Красная подсветка поможет пользователю быстро позиционировать пропуск в поле действия считывателя QR/штрих кода. Защита входов и выходов и быстросъемные клеммы обеспечат безопасность и удобство при монтаже. Сервис заказных прошивок дает возможность менять логику работы в зависимости от задач путем смены внутренней микропрограммы через USB или RS-485.

Подключение к компьютеру



Подключение в режиме 'Считыватель'



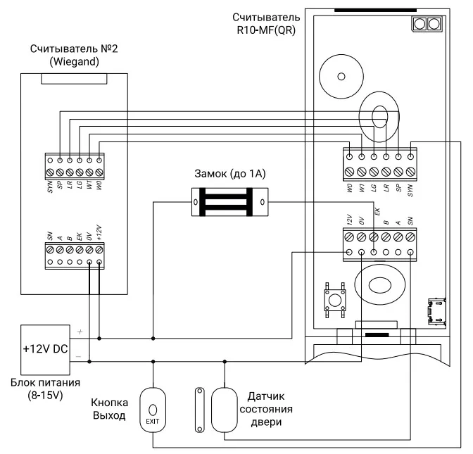
Подключение в режиме 'Автономный контроллер'




Схема монтажа



  • Единица измерения: 1 шт
  • Габариты (мм): 48x103x23
  • Масса (кг): 0.00

  • Управление устройствами: Гостиничный замок, Электронный замок
  • Цвет корпуса: Черный, Белый
  • Диапазон рабочих температур: -40…+55
  • Габаритные размеры, мм: 48х103х23
  • Место установки: В помещении, На улице
  • Индикация: Да
  • Тип устройства: Контроллер автономный, Считыватель
  • Сетевой интерфейс: RS-485
  • Выходной интерфейс: Wiegand, Wiegand-26, Touch memory, Rbus, RS-485
  • Встроенный считыватель: Да
  • Производитель: RusGuard
  • Тип идентификатора: Карта, Смартфон, QR/штрих коды
  • Количество пользователей/ключей:: 1500
  • Количество подключаемых замков: 1
  • Датчик вскрытия корпуса: Да
  • Количество считывателей: 1
  • Рабочая частота: 125-134 кГц (LF)
  • Расстояние считывания: До 10 см
  • Тип индификации: NFC, Mifare, Mifare ID, Mifare UltraLight, Mifare Classic, Mifare Plus, Mifare DESFire, QR, Штрих-код
  • Материал корпуса: Пластик
  • Программное обеспечение: Бесплатное


* ООО ИННОПРОМ (ИНН 5040171717) уведомляет, что производитель товара оставляет за собой право изменять характеристики товара, его внешний вид и комплектность без предварительного уведомления продавца. Не является публичной офертой согласно Статьи 437 п.2 ГК РФ.