г. Москва, Шереметьевская ул. д. 85 стр. 2
Режим работы: Пн-Пт с 9:00 до 18:00
Каталог оборудования
301133
Тахион

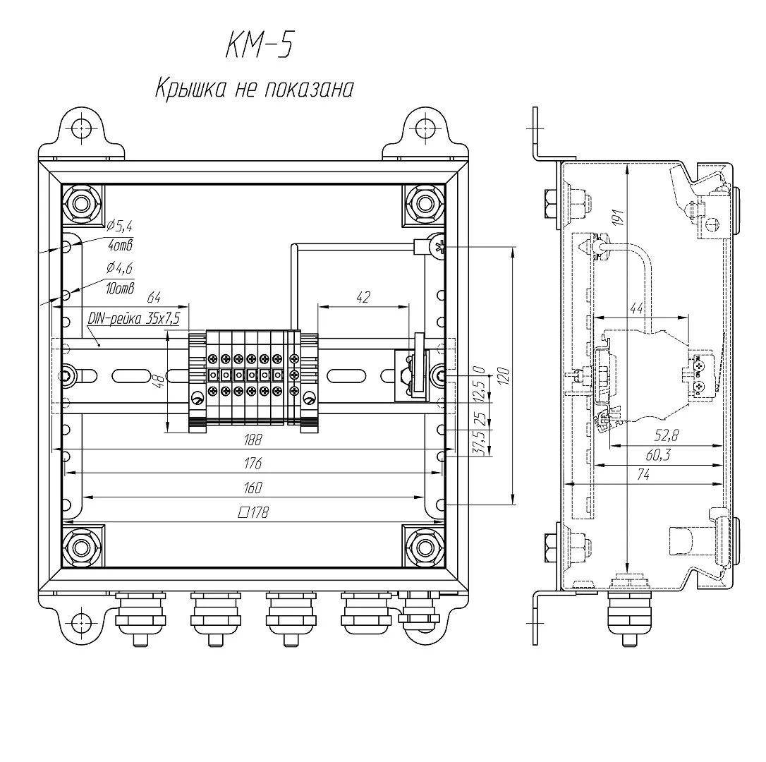
Тахион КМ-5

Цена
10 710.00 ₽
Артикул
301133
Производитель
Тахион

Описание

Коробки монтажные серии КМ (далее изделия) предназначены для установки в них элек-тронных (КМ-4) или электроустановочных (КМ-5, КМ-6) устройств и защиты их от воздействия окружающей среды. Изделие оборудовано тамперным контактом для сигнализации о несанкцио-нированном доступе.

Климатическое исполнение коробок соответствует УХЛ1,5 ГОСТ 15150-69. Степень защиты IP66.

Класс защиты: IP66.

Описание изделий:

  • В коробке КМ-4 установлена 35 мм DIN-рейка для крепления на ней электронных устройств, например, одного, двух или трех устройств защиты от импульсных перенапряжений УЗИП.
  • В коробке КМ-5 установлена клеммная колодка с 6-ю зажимами под провод сечением до 6 мм² для коммутации цепей питания аппаратуры или других электрических цепей.
  • В коробке КМ-6 установлен плинт с неразмыкаемыми контактами на 10 пар LSA-PLUS 2/10 для разветвления и коммутации линий связи или других соединительных линий.
Все коробки имеют 5 гермовводов.

Кронштейн для крепления на опоры d = 115 ÷ 135 мм (другой размер – под заказ) - приобретается по отдельной заявке.





НаименованиеКМ-4КМ-5КМ-6
Гермоввод PG11 - Ø кабеля 10 ÷ 6 мм4 шт.4 шт.4 шт.
Гермоввод PG7 - Ø кабеля 6 ÷ 3,5 мм1 шт.1 шт.1 шт.
35 мм DIN-рейка1 шт.1 шт.1 шт.
Клеммная колодка (сечение подключаемых проводов до 6 мм²)-6 шт.-
Клемма заземления (сечение подключаемых проводов до 6 мм²)1 шт.1 шт.1 шт.
Плинт LSA-PLUS 2/10--1 шт.
Тамперный контакт1 шт.1 шт.1 шт.
Скоба настенного крепления4 шт.4 шт.4 шт.


  • Единица измерения: 1 шт
  • Габариты (мм): 240x200x90
  • Масса (кг): 2.20

  • Материал корпуса: листовая сталь толщ. 1,2 мм (покрытие краска порошковая)
  • Диапазон рабочих температур: -60C &divide, +70C
  • Габаритные размеры: 240х200х90 мм
  • Вес с упаковкой (не более): 2,2 кг


* ООО ИННОПРОМ (ИНН 5040171717) уведомляет, что производитель товара оставляет за собой право изменять характеристики товара, его внешний вид и комплектность без предварительного уведомления продавца. Не является публичной офертой согласно Статьи 437 п.2 ГК РФ.