г. Москва, Шереметьевская ул. д. 85 стр. 2
Режим работы: Пн-Пт с 9:00 до 18:00
Каталог оборудования
301131
Тахион

Тахион КМГО-24-2-5

Цена
21 510.00 ₽
Артикул
301131
Производитель
Тахион

Описание

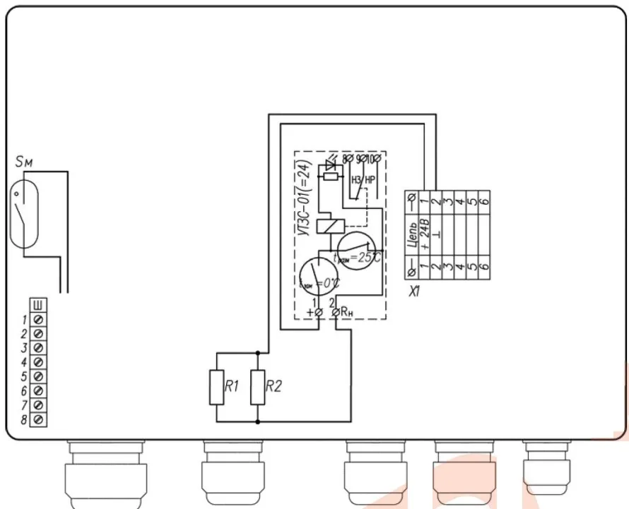
Коробка монтажная герметичная с обогревом КМГО-24 (далее изделие) предназначена для установки в ней телевизионного либо другого электронного оборудования и обеспечения заданного температурного режима при эксплуатации этого оборудования. Поддержание температуры внутри изделия, в заданном диапазоне, обеспечивается автоматическим включением и отключением встроенного обогревателя. Управление обогревателем осуществляется с помощью устройства тепловой защиты и сигнализации УТЗС-01(=24).

Изделие оборудовано магнитоконтактным извещателем для сигнализации о несанкционированном доступе.

Изделие выпускается по техническим условиям ТУ 26.30.50-077-31006686-2017.

Климатическое исполнение изделия соответствует  УХЛ1,5 ГОСТ 15150-69.

Степень защиты IP 66.

Комплектность

КМГО-24КМГО-24-1-3КМГО-24-2-5
Устройство тепловой защиты УТЗС-10 (=24)111
Устройство защиты линий УЗЛ‐К‐7,5/10кА‐12/24В1по отдельной заявке(до 3шт)-
Клеммная колодка (6мм²)111
Резисторы оогрева222
Плинты1--
Кабель длиной 2м с розеткой (PC-10)1--
Шина заземления типа 8/2111
Кодер АПВС-11 (по отдельной заявке)+--


Преимущества использования

  • Серийное производство
  • Оперативность монтажа
  • Полный набор необходимых аксессуаров
  • Вся необходимая документация для проектирования
  • Пыле- влагозащищенное исполнение, термостат
  • Датчик на вскрытие
  • Надежность и эстетика

    Схема электрическая принципиальная



    • Единица измерения: 1 шт
    • Габариты (мм): 361x288x111
    • Масса (кг): 2.00

    • Напряжение питания: 24 В DC
    • Обогрев:
      - потребляемая мощность: 12 Вт
    • Диапазон рабочих температур: 50С &divide, +50С
    • Диапазон включения/отключения обогрева: 0С / +10С
    • Температура аварийного отключения обогревателя: +25С
    • Габаритные размеры (с гермовводами): 361 х 288 х 111 мм
    • Вес: 2,0 кг


    * ООО ИННОПРОМ (ИНН 5040171717) уведомляет, что производитель товара оставляет за собой право изменять характеристики товара, его внешний вид и комплектность без предварительного уведомления продавца. Не является публичной офертой согласно Статьи 437 п.2 ГК РФ.