Описание
- автоматическое включение/отключение встроенного обогревателя в заданном диапазоне температур,
- преобразование ряда входных напряжений в стандартный ряд напряжений питания видеокамер,
- безаварийное включение электропитания видеокамеры при отрицательной температуре внутри гермобокса, обеспечивая надежную работу видеокамеры при перерывах в электропитании и исключая выход видеокамеры из строя при запуске,
- две ступени мощности обогрева, что позволяет использовать термокожух в разных климатических зонах в соответствии с ГОСТ 15150-69,
- модуль видеокамеры изолирован от корпуса гермобокса
- техническим требованиям - ГОСТ Р 51558-2008,
- требованиям по безопасности – ГОСТ Р МЭК 60065-2005,
- требованиям по ЭМС – ГОСТ Р 50009-2000, ГОСТ Р 51317.3.2-99, ГОСТ Р 51317.3.3-99,
- степени защиты от поражения электрическим током – I классу ГОСТ 12.2.007-75,
- условиям эксплуатации – ГОСТ 12997-84 группам Д3, Р1 и N2.
- степень защиты IP 66,
- климатическое исполнение термокожуха соответствует УХЛ1.5 ГОСТ 15150-69.

- Единица измерения: 1 шт
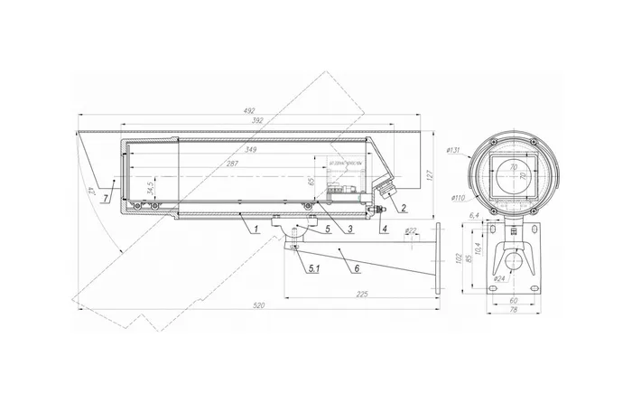
- Габариты (мм): 520x131x233
- Масса (кг): 4.50
- Напряжение питания ~220 В ±10% AC
- Напряжение/ток внутреннего источникапитания 12 В ±10% DC / 0,7 А, 220 В ±10% АC / 0,1 А
- Температура вкл./откл. обогрева 20°С±3°С / 25°С±3°С
- Мощность обогрева 31 Вт 21 Вт
- Максимальный потребляемый ток (включая видеокамеру) 0,2 А / 0,15 А
- Диапазон рабочих температур - 45°С ÷ +50°С - - 30°С ÷ +50°С
- Температура холодного запуска откл./вкл. -10°С±3°С / -5°С±3°С
- Вес с упаковкой не более 4,5 кг
- Влажность воздуха до 100% при +25°С
- Режим работы круглосуточный
* ООО ИННОПРОМ (ИНН 5040171717) уведомляет, что производитель товара оставляет за собой право изменять характеристики товара, его внешний вид и комплектность без предварительного уведомления продавца. Не является публичной офертой согласно Статьи 437 п.2 ГК РФ.