Описание
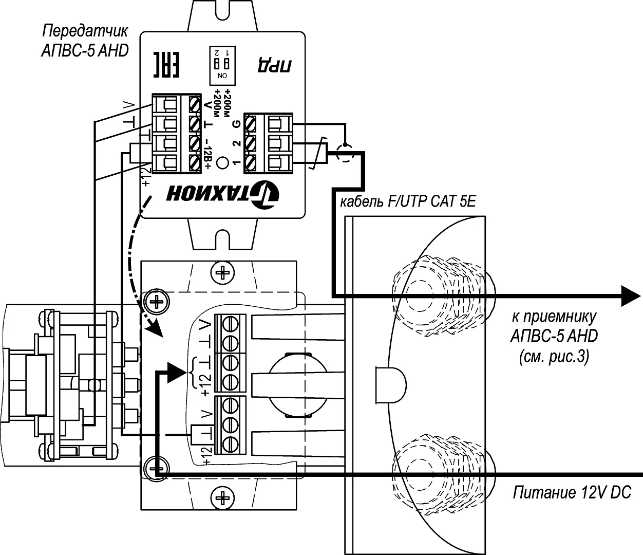
Видеокамера мультиформатная серии Корунд-МК ТВК-50MF-5-V2811-12VDC 5AHD наружной установки предназначена для визуального (на экране монитора) наблюдения охраняемых (контролируемых) объектов через информационные сети при непосредственном контакте с атмосферной средой без какой-либо дополнительной защиты с удлинением линии связи до 600 м с помощью передатчика и приемника АПВС-5 AHD.
Видеокамера обеспечивает: автоматическое включение/отключение встроенного обогревателя в заданном диапазоне температур. Видеокамера соответствует: - техническим требованиям - ГОСТ Р 51558, - требованиям по безопасности ГОСТ Р МЭК 60065, - требованиям по ЭМС - ГОСТ Р 50009, ГОСТ 30804.3.2, ГОСТ 30804.3.3, - степени защиты от поражения электрическим током III классу ГОСТ 12.2.007.0. Климатическое исполнение изделия соответствует УХЛ1, 5 ГОСТ 15150. Изделие выпускается по техническим условиям ТУ 26.30.50-077-31006686-2017. Степень защиты IP66/IP68
СХЕМА ПОДКЛЮЧЕНИЯ:

- Единица измерения: 1 шт
- Габариты (мм): 326x200x200
- Масса (кг): 1.50
Тип камеры цветная день-ночь (электромеханический ИК-фильтр)
Матрица 1/2,8 CMOS
Разрешение 1920х1080 (Full HD) 2Мп
Формат сжатия AHD / CVBS (NTSC, PAL)
Чувствительность видеокамеры при F=1,2 и fmin 0,001лк (днем) / 0,0001лк (ночью)
Фокусное расстояние объектива*(f) 2,8-11 мм
Автоматическая регулировка диафрагмы есть
Система шумоподавления 3D-DNR
Дальность передачи видеосигнала 0 600 м
Напряжение электропитания 12 В DС ±,10%
Мощность обогрева 3 Вт
Потребляемая мощность:
в режиме включённого обогрева 5 Вт
в режиме выключенного обогрева 2 Вт
Климатические условия работы:
диапазон рабочих температур 40С ÷, + 50С
влажность воздуха до 100% при + 25С
Вывод кабеля 2 гермоввода под диаметр каб. 6-3,5мм
Вес в упаковке 1,5 кг
Режим работы круглосуточный
* Производителем установлен видеостандарт AHD.
** Производителем установлено фокусное расстояние объектива f=2,8 мм.
Комплектация:
1. Видеокамера в термокожухе ТГБ-5-120-12/12
1.1. Плата выбора видеостандарта
2. Кронштейн
3. Солнцезащитный козырек
4. Шарнир
4.1. Болт фиксации шарнира
5. Клеммы подключения
6. Передатчик АПВС-5 AHD
6.1. Саморезы крепления передатчика АПВС-5 AHD
7. Приемник АПВС-5 AHD
* ООО ИННОПРОМ (ИНН 5040171717) уведомляет, что производитель товара оставляет за собой право изменять характеристики товара, его внешний вид и комплектность без предварительного уведомления продавца. Не является публичной офертой согласно Статьи 437 п.2 ГК РФ.