г. Москва, Шереметьевская ул. д. 85 стр. 2
Режим работы: Пн-Пт с 9:00 до 18:00
Каталог оборудования
172699
Рубеж

ППКП 01149-4-1 'Рубеж-4А'

Цена
1 207.00 ₽
Артикул
172699
Назначение сигнализации
Пожарная
Производитель
Рубеж

Описание

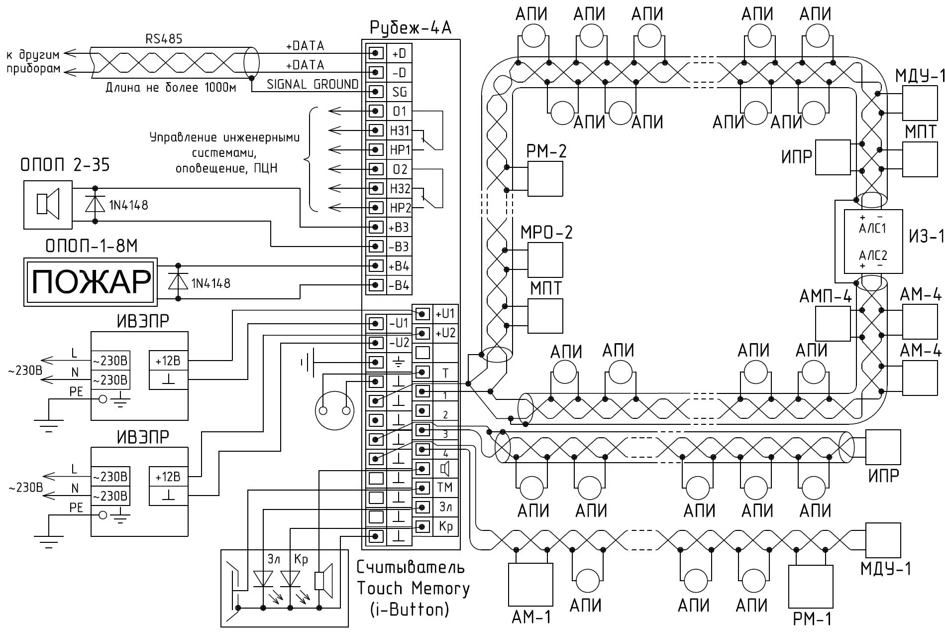
Прибор приемно-контрольный и управления пожарный адресный ППКП 01149-4-1 'Рубеж-4А' предназначен для применения в адресных системах пожарной сигнализации, пожаротушения, дымоудаления и оповещения. На пожарных адресных приборах РУБЕЖ-4А можно построить распределенную адресную систему ПС с объединением в сеть до 60 панелей. К каждому из приборов можно подключить до 500 адресных устройств тм Рубеж.

Адресный пожарный прибор конструктивно выполнен в пластмассовом корпусе. На лицевой стороне прибора расположены двадцатикнопочная клавиатура и четырехстрочный ЖКИ для просмотра и ввода параметров. Имеется встроенный зуммер, обеспечивающий звуковое сопровождение событий для привлечения внимания оператора.

Прибор Рубеж-4А работает со следующими адресными устройствами:

  • адресными извещателями пожарными ИП212/101-64-А2R, ИП212-64, ИП 101-29-PR,
  • адресными извещателями пожарными ручными ИПР 513-11,
  • адресными модулями управления клапанами дымоудаления МДУ-1 исп 01, 02, 03,
  • адресными модулями речевого оповещения МРО-2М,
  • адресными модулями управления пожаротушением МПТ-1,
  • адресными пожарными метками АМП-4,
  • адресными метками АМ-1 и АМ-4,
  • изоляторами адресных шлейфов ИЗ-1,
  • адресными релейными модулями РМ-1, РМ-2, РМ-К,
  • адресными радиоканальными модулями МРК-30,
  • адресными радиоканальными извещателями пожарными ИП 212-64Р,
  • адресными радиоканальными извещателями пожарными ручными ИП 513-11Р,
  • адресными шкафами управления ШУ и ШУВ,
  • адресными шкафами управления электроприводными задвижками ШУЗ.
  • адресным резервированным источником питания ИВЭПР 12/5 RSR.

    Основные функции прибора РУБЕЖ-4А:

  • прием сигналов от адресных устройств по адресной линии связи,
  • включение выносных приборов сигнализации при возникновении пожара,
  • управление системами пожаротушения и дымоудаления, речевого оповещения на охраняемом объекте,
  • автоматический контроль целостности АЛС и исправности адресных устройств,
  • защита органов управления от несанкционированного доступа посторонних лиц,
  • символьная индикация принимаемых сигналов,
  • звуковая сигнализация режимов работы,
  • обмен данными по интерфейсу RS-485 с другими приборами и компьютером,
  • обмен данными по интерфейсу USB с компьютером.
  • Прибор приемно-контрольный пожарный контролирует адресные устройства по 4-м адресным линиям связи (АЛС).
  • Возможно подключение до 250 адресных устройств на каждую АЛС, но не более 500 устройств на весь прибор.
  • Прибор позволяет работать с радиальными, кольцевыми, древовидными АЛС.
  • Общая длина каждой АЛС – не более 1000 м.
  • Имеется контроль АЛС на КЗ, перегрузку.
  • Имеется контроль исправности устройств в АЛС.
  • Светодиодная индикация и звуковая сигнализация режимов работы.

    Прибор осуществляет обмен информацией с адресными пожарными устройствами по двухпроводной адресной линии связи.

    Питание адресных пожарных извещателей, адресных меток, адресных релейных модулей, МДУ-1 исп. 01 осуществляется по адресной линии связи, для питания адресных устройств МПТ-1, МРО-2М, РМ-К, МРК-30 необходимо внешнее питание DC 12В или 24В, АМП-4 – 12В DC, ИП 212-64Р и ИП 513-11Р – питаются автономно от батареи, питание МДУ исп.02 – 24В DC или АС, питание МДУ исп. 03 – 220В AC.

    В приборе имеется энергонезависимая память для хранения базы данных адресных устройств и ведения журнала событий. Для привязки событий ко времени имеются часы реального времени с независимым питанием от литиевой батарейки.

    Для ввода и отображения информации в приборе РУБЕЖ-4А имеются двадцатикнопочная клавиатура и четырехстрочный ЖКИ на двадцать знакомест в строке.

    Защитная крышка исключает случайное нажатие на клавиши.

    Прибор ведет журнал на 1000 событий, в котором записывается информация о типе события, его дате, времени, адресе шлейфа и устройства. Все события фиксируются в энергонезависимой памяти и могут быть прочитаны с помощью клавиатуры и дисплея, расположенных на лицевой стороне прибора. Запись осуществляется в кольцевой буфер.

    Конфигурация приборов в процессе инсталляции и конфигурация работы системы пожарной сигнализации выполняется с персонального компьютера с помощью ПО «FireSec Администратор».

    Программное обеспечение для конфигурации системы «FireSec Администратор» поставляется бесплатно и входит в комплект поставки прибора.

    После конфигурирования системы, адресный пожарный прибор РУБЕЖ-4А может управлять адресной системой пожарной сигнализации автономно.

    Для более наглядного представления информации об охраняемом объекте и осуществления мониторинга всей системы может применяться компьютер с установленным ПО «FireSec Оперативная задача». Приобретается отдельно.

    Прибор работает в соответствии с базой адресных устройств, записанных в него с помощью ПО «FireSec Администратор».

    Подключение одного прибора к компьютеру можно производить при помощи преобразователя интерфейсов RS485/USB либо USB-кабеля. Прибор РУБЕЖ-4А может комплектоваться USB-кабелем (по отдельному заказу).

    Подключение к компьютеру системы, состоящей из нескольких приборов, осуществляется через модуль сопряжения МС-1 или МС-2.

    Для организации распределенной системы пожарной сигнализации и системы пожаротушения применяются схемы с объединением в одну сеть (RS-485) до 60 адресных приемно-контрольных приборов и выводом информации на центральный компьютер.



    Схема внешних подключений прибора приемно-контрольного охранно-пожарного Рубеж-4A


    Прибор «РУБЕЖ-4А» имеет на панели управления 4 функциональных клавиши F1, F2, F3, F4.

    Каждая клавиша имеет возможность назначения на нее функции просмотра журнала событий с фильтрацией по следующим типам событий:

  • пожар/внимание/сброс,
  • неисправности/устранение неисправностей,
  • добавление/удаление из списка обхода,
  • тест/тест-кнопка,
  • запуск/остановка пожаротушения.

    Панель имеет 7 светодиодных индикаторов:

  • НОРМА – зеленый индикатор. Постоянно светится при отсутствии неисправностей в системе. При появлении события «Неисправность» переходит в режим мерцания с частотой 2 Гц.
  • ПОЖАР – красный индикатор. В нормальном состоянии не светится. Зажигается при получении события «Пожар».
  • ПУСК АСПТ – красный индикатор. В нормальном состоянии не светится. При включении системы пожаротушения постоянно светится.
  • НЕИСПР. – желтый индикатор. Зажигается при возникновении неисправности.
  • АВТ.ОТКЛ. – желтый индикатор. Постоянно светится при отключенной системе автоматического пожаротушения.
  • СВЯЗЬ – зеленый индикатор. Светится при наличии обмена по интерфейсу RS-485 между прибором и ПК. В случае наличии связи только между приборами внутри сети RS-485 мигает с частотой, которая зависит от интенсивности обмена. В остальных случаях не светится.
  • ПИТАНИЕ – зеленый индикатор. Светится постоянно при питании прибора заданным номинальным напряжением по обоим вводам питания, переходит в режим мерцания с частотой 1 Гц при отсутствии питания на одном из вводов или снижении напряжения ниже заданного уровня.

    Имеется встроенный зуммер, обеспечивающий звуковое сопровождение событий для привлечения внимания оператора.

    Технологически в адресном пожарном приборе «РУБЕЖ-4А» предусмотрено 2 перекидных реле типа «сухой контакт» и 2 выхода с контролем цепи на КЗ и обрыв, выдающих напряжение, равное напряжению питания. Все реле и выходы имеют следующие программируемые параметры:

  • «Задержка на включение» – время (в секундах), через которое, после подачи команды, произойдет переключение контактов реле. Диапазон возможных значений: от 0 до 255 с.
  • «Удержание» – время (в секундах), по прошествии которого реле перейдет в исходное состояние. Диапазон возможных значений: от 0 до 255 с. Значение «0» – бесконечное удержание (до получения команды выключить).
  • Режим переключения – задается режим работы реле/выхода во включенном состоянии: непрерывный либо меандр (постоянное переключение).

    Реле и выходы настраивается на включение по одному или нескольким событиям:

  • Неисправность прибора (только для реле «сухой контакт») – выключается или перекидывается в «нормальное» состояние при неисправности или потери связи с адресным устройством, подключенным к прибору, коротком замыкании или обрыве выхода с контролем целостности цепи, отсутствии питания на одном из вводов питания или в целом на приборе.
  • Включение без задержки по пожару в 2-х зонах (только для реле «сухой контакт») – включается, если две или более зон одновременно находятся в пожаре.
  • Пожар-1 – сработка в зоне одного адресного пожарного извещателя – реле включено, в отсутствии события «пожар-1» – реле выключено.
  • Пожар-2 – сработка в зоне двух и более адресных пожарных извещателей или одного и более шлейфа адресной метки – реле включено, в отсутствии события «пожар-2» – реле выключено.

    Внимание – внимание в зоне или группе зон – реле включено, в отсутствии внимания – реле выключено.

    Включение модуля пожаротушения – включение модуля автоматического пожаротушения (МПТ) в зоне или группе зон – реле включено, в отсутствии включенных МПТ – реле выключено.

    Включение автоматики МПТ – автоматика включена у МПТ в зоне или группе зон – реле включено, автоматика включена у МПТ в зоне или группе зон – реле выключено.

    • Единица измерения: 1 шт
    • Габариты (мм): 200x160x50
    • Масса (кг): 1.00


    • Питание: 12±2 В или 24±4 В
    • Ток потребления прибора (без учета выходов 3 и 4):
          при напряжении питания 12В: 1А
          не более при напряжении питания 24В, не более: 0,44 А
    • Выходные характеристики встроенных выходов 3 и 4:
          выходное напряжение постоянного тока: напряж. питания
          максимальный ток, потребляемый с двух выходов: 2 х 0,3А = 0,6 А Выходные характеристики встроенных реле 1 и 2:
          коммутация напряжения постоянного/переменного тока: 28/240 В
          максимальный коммутируемый ток: 5А
    • Количество АЛС, подключаемых к прибору: 4 радиальные или 4 кольцевые
    • Количество адресных устройств при:
          радиальной АЛС, не более: 250 на одну АЛС (500 на прибор)
          кольцевой АЛС, не более: 250 на одну АЛС (500 на прибор)
    • Внешние интерфейсы для обмена и программирования:
          типа RS485, гальванически развязанный: 1
          типа USB: 1
    • Длина: АЛС, не более 1000 м
          кабеля интерфейса RS-485: не более 1000 м
          кабеля интерфейса USB: до 3 м
    • Ток в АЛС, не более: 125 мА
    • Напряжение на выходных клеммах АЛС: 24±4 В
    • Максимальное сопротивление проводов АЛС, не более: 140 Ом
    • Удельная электрическая емкость АЛС, не более: 0,5 нФ/Ом.
    • Масса прибора, не более: 1 кг
    • Габаритные размеры прибора, не более: 200х160х50 мм
    • Диапазон рабочих температур прибора: от 0 до +55°C.


    * ООО ИННОПРОМ (ИНН 5040171717) уведомляет, что производитель товара оставляет за собой право изменять характеристики товара, его внешний вид и комплектность без предварительного уведомления продавца. Не является публичной офертой согласно Статьи 437 п.2 ГК РФ.

    Вы недавно просматривали

    В наличии

    Hikvision DS-PR1-WE Управление AX PRO

    Артикул:

    Производитель: Hikvision

    Розничная цена: 1 207.00 ₽

    Ваша цена
    6 490.00 ₽
    В корзину

    В наличии

    Hikvision DS-PT-M1 Управление AX PRO

    Артикул:

    Производитель: Hikvision

    Розничная цена: 1 207.00 ₽

    Ваша цена
    190.00 ₽
    В корзину

    В наличии

    Hikvision DS-PM1-D Управление AX PRO

    Артикул:

    Производитель: Hikvision

    Розничная цена: 1 207.00 ₽

    Ваша цена
    1 990.00 ₽
    В корзину

    В наличии

    ППКОП 011249-2-1 'Рубеж-2ОП'

    Артикул: 172698

    Производитель: Рубеж

    Розничная цена: 1 207.00 ₽

    Ваша цена
    В корзину

    В наличии

    Светодиод ARL-10403URUYC/3L

    Артикул: 2977990074916

    Производитель: Arlight

    Розничная цена: 1 207.00 ₽

    Ваша цена
    23.00 ₽
    В корзину

    В наличии

    Светодиод ARL-10603UYD-300mcd

    Артикул: 2977990036518

    Производитель: Arlight

    Розничная цена: 1 207.00 ₽

    Ваша цена
    9.50 ₽
    В корзину