Описание
Главные преимущества этого видеомонитора: простота, стильный внешний вид и очень доступная цена.
Ключевые отличия видеомонитора ELTIS VM400-4CL:
- видеомонитор изначально предназначенный для работы с домофонными системами, не требует адаптеров для работы с подъездными домофонами,
- дуплексная связь,
- одноканальный цветной видеомонитор, оптимально достаточный размер экрана 4,3 дюйма,
- возможность просмотра изображения без поднятия трубки, круговая подсветка кнопки монитора,
- выключатель сигнала вызова,
- светодиодная индикация при вызове,
- безопасное напряжение питания 12В, два варианта подключения питания: через адаптер в розетку 220В, или через клеммы разъема,
- один из самых тонких и стильных видеомониторов в классе эконом.
Функции видеомонитора
- Просмотр цветного видеоизображения на 4,3 TFT экране.
- Регулировка яркости, контрастности и цветности экрана.
- Прием сигнала вызова от БВ.
- Автоматическое включение экрана при поднятии трубки.
- Осуществление дуплексной связи абонент-посетитель.
- Открывание замка двери подъезда нажатием кнопки монитора.
- Вызов консьержа абонентом и осуществление дуплексной связи абонент-консьерж
Конструкция
Корпус ВМ выполнен из пластика ABS. Внешний вид ВМ приведен на рисунке 1. На лицевой стороне ВМ располагаются 4,3 TFT цветной экран, трубка, кнопка включения экрана.

Рис.1. Внешний вид видеомонитора VM400-4CL
Кнопка меню позволяет регулировать яркость, контрастность и цвет?ность экрана ВМ с помощью кнопок больше и меньше.
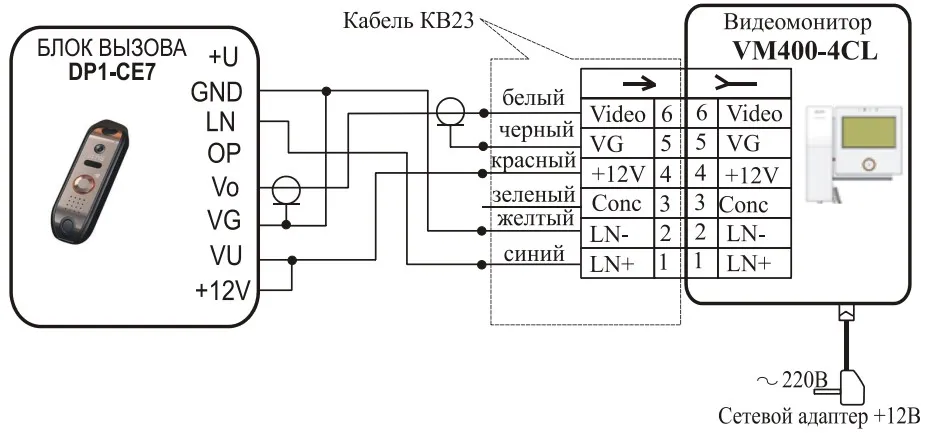
Разъем RJ-12(6Р6С) служит для подключения соединительного кабеля КВ23:

Внешний вид ВМ со снятой трубкой представлен на рис.2.

Рис.2. Внешний вид со снятой трубкой
Схемы подключения

Схема подключения VM400-4CL к DP1-CE7

Схема подключения VM400-4CL в составе многоабонентского домофонного комплекса
В комплект поставки видеомонитора VM400-4CL входят:
- Видеомонитор VM400-4CL - 1 шт.
- Комплект крепления КМ17 - 1 шт.
- Кабель КВ23 соединительный - 1 шт
- Инструкция пользователя - 1 шт.
- Руководство по эксплуатации* - 1 шт.
- Паспорт - 1 шт.
- Коробка упаковочная - 1 шт.
* Руководство по эксплуатации поставляется на партию ВМ
- Единица измерения: 1 шт
- Габариты (мм): 200x100x35
- Масса (кг): 0.45
- Количество видеовходов: 1
- Тип экрана: 4,3 дюйма TFT-LCD, цветной
- Соотношение сторон: 16:9
- Система цветности: PAL/NTSC
- Разрешающая способность экрана: 480х272
- Видео вход: 0.8&hellip,1.6В, 75Ом
- Напряжение питания: =11&hellip,13В
- Максимальная мощность потребления: 3 Вт
- Максимальное время, отведенное на разговор с посетителем: 90 сек.
- Габаритные размеры: 176 х 173 х 29мм
- Масса , кг: не более 0,4
* ООО ИННОПРОМ (ИНН 5040171717) уведомляет, что производитель товара оставляет за собой право изменять характеристики товара, его внешний вид и комплектность без предварительного уведомления продавца. Не является публичной офертой согласно Статьи 437 п.2 ГК РФ.
Вы недавно просматривали
В наличии
JSB-Systems JSB-V087K БК
Артикул: 12525
Производитель: JSB-Systems
Розничная цена: 7 505.00 ₽
В наличии
Цифрал M-2VC/Т
Артикул: 147163
Производитель: Цифрал
Розничная цена: 7 505.00 ₽
В наличии
Цифрал М-2.2VC
Артикул: 166797
Производитель: Цифрал
Розничная цена: 7 505.00 ₽
В наличии
JSB-Systems JSB-V083 PAL
Артикул: 4138
Производитель: JSB-Systems
Розничная цена: 7 505.00 ₽
В наличии
JSB-Systems JSB-V082ТМ PAL
Артикул: 12487
Производитель: JSB-Systems
Розничная цена: 7 505.00 ₽