г. Москва, Шереметьевская ул. д. 85 стр. 2
Режим работы: Пн-Пт с 9:00 до 18:00
Каталог оборудования
166794
Цифрал

Цифрал CCD-2094.1И/РVС

Цена
14 043.00 ₽
Артикул
166794
Разрешение
720
Тип
функциональный модуль для дверной станции
Технология/способ установки
многопроводной
Система изображения
PAL
Тип соединения устройств
проводное
Количество пользователей
200
Угол обзора камеры, °
90
С функцией день/ночь
Нет
Защита от вандализма (антивандальный)
Да
Температура работы
От -40 до +50
С камерой
Да
Регулируемая вручную камера
Нет
Открытие через интернет
Нет
Производитель
Цифрал
Подробнее

Описание

Микропроцессорный блок вызова Цифрал CCD-2094.1И/РVС предназначен для использования в составе домофонных систем «Цифрал» и установки в подъездах жилых многоквартирных домов, крупных офисов и промышленных предприятий. Блок имеет встроенную видеокамеру и рассчитан на работу с видеомониторами 'Цифрал'

Лицевая панель блока вызова увеличена, кнопки имеют яркую подсветку, что очень удобно в темноте.

Блок вызова изготовлен на базе антивандальной литой металлической панели, покрытой стойкой полимерной краской. Использование микропроцессоров позволило увеличить надежность и функциональные возможности блока вызова.

Блок имеет встроенный считыватель бесконтактных ключей и собственный контроллер для их обработки. Вызов абонента осуществляется набором соответствующего номера на 12-ти кнопочной клавиатуре с подтверждением на информационном табло.

Базовый комплект домофона состоит из блока вызова и коммутатора.

Функции

  • Аудио и/или видеосвязь с абонентом.
  • Возможность работы с координатными абонентскими переговорными устройствами.
  • Программируемое отключение/включение абонента к линии связи.
  • Открывание дверного замка с помощью цифровых ключей.
  • Звуковое подтверждение посылки вызова абоненту и открывания дверного замка.
  • Регулирование громкости вызывного сигнала и чувствительности микрофона.
  • Информационное табло, показывающее номер вызываемого абонента и служащее для программирования.

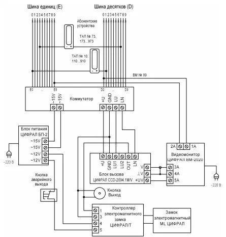
    Схема подключения домофона с одним коммутатором


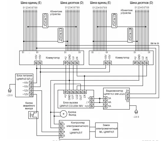
    Схема подключения домофона с двумя коммутаторами


    • Единица измерения: 1 шт
    • Габариты (мм): 234x260x51
    • Масса (кг): 1.32


    • Модель: CCD-2094.1И/РVС
    • Тип: блок вызова
    • Количество абонентов: 200 (при использовании 2-х коммутаторов)
    • Количество ключей: 1500
    • Длительность удержания замка в открытом состоянии: 1…8 сек.
    • Длительность сигнала вызова: 40 сек.
    • Длительность разговора: 90 сек.
    • Электропитание: =15 В.
    • Потребляемая мощность не более: 5 Вт.
    • Диапазон рабочих температур: -40...+50°С
    • Способ монтажа: врезной
    • Размеры блока вызова, мм, не более: 134х260х51
    • Масса блока вызова, кг, не более: 1,32
    • Производитель: Цифрал
    Габаритные размеры




    * ООО ИННОПРОМ (ИНН 5040171717) уведомляет, что производитель товара оставляет за собой право изменять характеристики товара, его внешний вид и комплектность без предварительного уведомления продавца. Не является публичной офертой согласно Статьи 437 п.2 ГК РФ.