г. Москва, Шереметьевская ул. д. 85 стр. 2
Режим работы: Пн-Пт с 9:00 до 18:00
Каталог оборудования
168234
VIZIT

VIZIT БВД-306FCP-2

Цена
9 690.00 ₽
Артикул
168234
Разрешение
700
Материал
Пластик
Тип
вызывная (звонковая) панель на дверь
Технология/способ установки
многопроводной
Система изображения
PAL
Тип соединения устройств
проводное
Количество пользователей
2
Угол обзора камеры, °
90
С функцией день/ночь
Да
Защита от вандализма (антивандальный)
Нет
Температура работы
От -30 до +45
С камерой
Да
Регулируемая вручную камера
Нет
Открытие через интернет
Нет
Производитель
VIZIT
Подробнее

Описание

VIZIT БВД-306FCP-2 - блок вызова видеодомофона на 2 абонента. Встроенная телекамера цветного изображения с функцией 'День-ночь' (700 tvl, PAL, 0 Lux / ИК подсветка для телекамеры, объектив PINHOLE 90°). Встроенный контроллер до 960 ключей VIZIT-RF3 (RFID-13.56МГц). Обеспечивает дополнительную защиту от несанкционированного администрирования домофона. Возможность автоматической записи ключей - режим «Акцепт». Возможность обновления базы ключей, включения/выключения вызова квартир, изменения системных установок с помощью бесконтактного модуля памяти VIZIT-RFM4. Подсветка кнопок вызова и именных табличек. Корпус блока вызова выполнен из ударопрочного, стойкого к атмосферным воздействиям пластика 'поликарбонат'.

Вариант исполнения:

F - встроенный считыватель RFID-13.56МГц,
C - телекамера цветного изображения,
P - объектив “pinhole”.

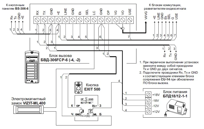
Блоки вызова БВД-306-x используются в составе многоквартирных домофонов и видеодомофонов и обеспечивают двухстороннюю связь между посетителем и абонентом, а также отпирание замка входной двери. Доступны исполнения блоков вызова для 2, 4 и 6 абонентов. Предусмотрена возможность увеличения количества абонентов до 24 при использовании с кнопочными панелями BS-306-6.

Особенности БВД-306FCP-2

  • Персональная кнопка вызова для каждого абонента.
  • Видеоконтроль обстановки перед телекамерой блока вызова.
  • Дуплексная связь между посетителем и абонентом (до 80 секунд).
  • Отпирание замка входной двери:
         - при нажатии кнопки отпирания замка на абонентском устройстве,
         - при нажатии кнопки для выхода,
         - ключами VIZIT-RF3.x, VIZIT-RF4.x (13.56 МГц).
  • Возможность записи ключей «квартирным» (до 40 ключей для каждой квартиры) и «сплошным» списком (до 960 ключей).
  • Возможность автоматической записи ключей - режим «Акцепт» (доступен только при установке «сплошного» списка записи ключей).
  • Удаление ключей.
  • Общее включение/выключение сигнализации (короткий звуковой сигнал) в абонентских устройствах квартир при использовании ключей (для всех квартир).
  • Включение/выключение сигнализации (короткий звуковой сигнал) в абонентском устройстве
  • соответствующей квартиры при использовании ключей (для каждой квартиры).
  • Обновление базы ключей и изменение установок с помощью бесконтактного модуля памяти VIZIT-RFM4.
  • Программируемая продолжительность отпирания замка (от 1 до 20 секунд).
  • Возможность подключения до трёх кнопочных панелей для увеличения количества подключённых абонентов.
  • Параллельная работа до 2-х блоков вызова.
  • Работа с пультом консьержа.
  • Связь “Консьерж - Посетитель” по инициативе консьержа.
  • Сигнал вызова в абонентском устройстве и дублирование сигнала в блоке вызова на время нажатия кнопки.
  • Регулировка громкости служебных сигналов.
  • Регулировка громкости дуплексной связи.
  • Звуковая и световая сигнализация режимов работы.
  • Подсветка кнопок вызова и именных табличек.
  • Автоматическая компенсация сопротивления линии, повышающая устойчивость разговорного тракта.
  • Возможность обновления ПО на объекте (с использованием блока сопряжения CU-14).

    Внешний вид блоков БВД-306-x



    Схема подключения


    • Единица измерения: 1 шт
    • Габариты (мм): 77x179x36
    • Масса (кг): 0.35


    • Количество подключаемых абонентов: 2
    • Максимальное количество абонентов с учётом подключения к блоку вызова трёх кнопочных панелей BS-306-6: 20
    • Максимальное количество ключей для одной квартиры: 40
    • Максимальное количество ключей для всех квартир: 960
    • Сопротивление подъездной линии связи, Ом, не более: 30
    • Управление замком:
      - открытый сток MOSFET: 20VDC/1A
    • Диапазон напряжения питания блока вызова,В: 19 ... 26
    • Потребляемая мощность, Вт, не более: 5
    • Габаритные размеры блока вызова, мм, не более:
          - ширина: 77
          - высота: 179
          - глубина: 36
    • Масса блока вызова, кг, не более: 0,35
    • Диапазон рабочих температур, °С: от -30 до +45
    • Относительная влажность: до 98% при температуре 25°C

      Характеристики телекамеры

    • Тип объектива: “Pinhole”
    • Угол обзора по диагонали: 90°
    • Система цветности: PAL
    • Система сканирования: СCIR
    • Разрешение: 700 ТВЛ
    • Минимальная освещенность:
          0 Люкс ИК подсветка включена, расстояние до объекта - 0,5 м
          0,5 Люкс (ИК подсветка выключена)
    • Функция День-Ночь: Есть
    • Выходное напряжение: 1 Vp-p на нагрузке 75 Ом


    Комплектация




    * ООО ИННОПРОМ (ИНН 5040171717) уведомляет, что производитель товара оставляет за собой право изменять характеристики товара, его внешний вид и комплектность без предварительного уведомления продавца. Не является публичной офертой согласно Статьи 437 п.2 ГК РФ.