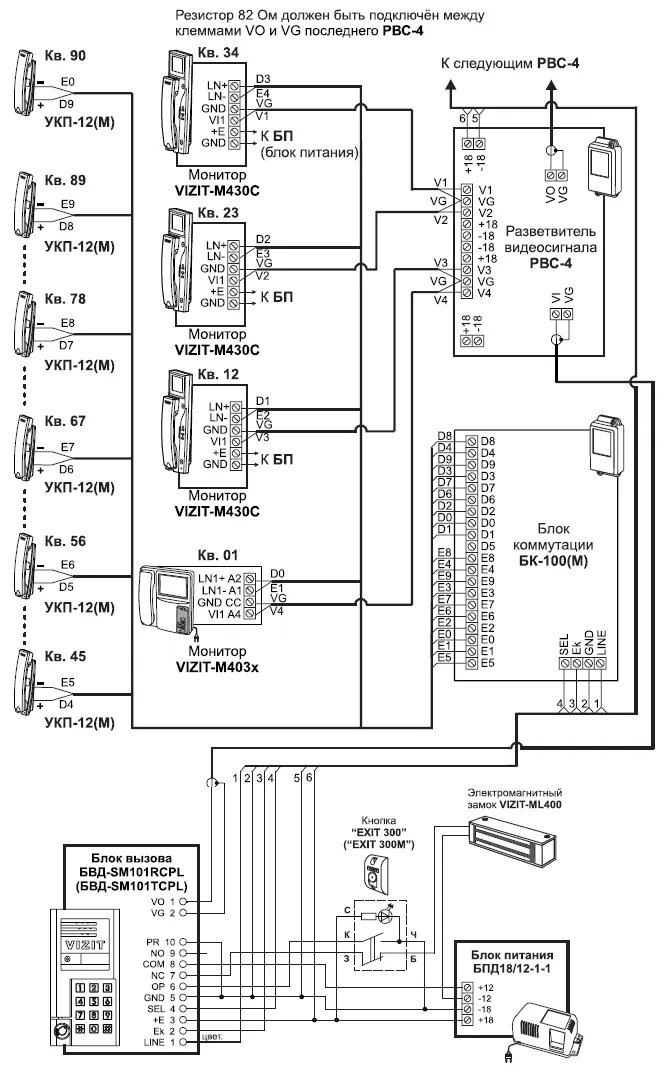
Описание
VIZIT БВД-SM101TCPL - блок вызова до 100 абонентов. Встроенная телекамера цветного изображения с функцией 'День-ночь' (380 tvl, PAL, 0 Lux / ИК подсветка для телекамеры, объектив 90 градусов). Функции: кодового замка, контроллера ключей TOUCH MEMORY (100 индивидуальных кодов, 600 ключей TM). Светодиодный дисплей. Подсветка клавиатуры. Рекомендуется использовать совместно с монтажным комплектом МК-341.

Характеристики VIZIT БВД-SM101TCPL
- блок вызова БВД-SM101TCPL используется совместно с блоком питания БПД18/12-1-1 как составная часть многоквартирного видеодомофона VIZIT,
- количество абонентов - до 100,
- дуплексная громкоговорящая связь,
- память на 600 ключей VIZIT-TM,
- количество ключей на один номер квартиры - 6,
- возможность выключения вызова отдельных квартир,
- работа с пультом консьержа VIZIT,
- визуальный контроль обстановки перед блоком вызова,
- встроенная телекамера цветного изображения с функцией 'День-ночь' (PAL, 0 Lux, объектив 90°),
- ИК - подсветка для телекамеры,
- 4-х разрядный индикатор,
- программируемая продолжительность открывания замка - от 1 до 20 секунд,
- открывание замка входной двери:
- при нажатии кнопки открывания замка на устройстве квартирном переговорном УКП или мониторе во время связи,
- при наборе 4-х значного общего кода,
- при наборе 3-х значного индивидуального кода,
- при нажатии кнопки для выхода,
- ключами VIZIT-TM (DS1990A). В качестве ключей могут быть использованы только оригинальные идентификаторы iButton - напряжение питания, В: 22±4,
- потребляемый ток, А, не более: 0,3,
- габаритные размеры, мм, (ШхВхГ) - 86х170х25,
- вариант установки - накладной,
- диапазон рабочих температур, °С - от минус 30 до плюс 45.
- Единица измерения: 1 шт
- Габариты (мм): 86x170x25
- Масса (кг): 0.50
* ООО ИННОПРОМ (ИНН 5040171717) уведомляет, что производитель товара оставляет за собой право изменять характеристики товара, его внешний вид и комплектность без предварительного уведомления продавца. Не является публичной офертой согласно Статьи 437 п.2 ГК РФ.